Фильтры жидкостные сетчатые для трубопроводов ТУ3616-004-00220339-97 (ОКП 36 1600)
Фильтры жидкостные сетчатые для трубопроводов на условные давления 1,6 и 4,0 МПа при температуре транспортируемой жидкости от минус 60 до 300 °С, предназначены для защиты от механических примесей насосного и другого оборудования в технологических установках нефтеперерабатывающей, нефтехимической, нефтяной и газовой отраслей промышленности. Размеры улавливаемых твердых частиц механических примесей более 200 мкм.
Классы опасности транспортируемой жидкости 1, 2, 3 и 4 ГОСТ 12.1.007-76.
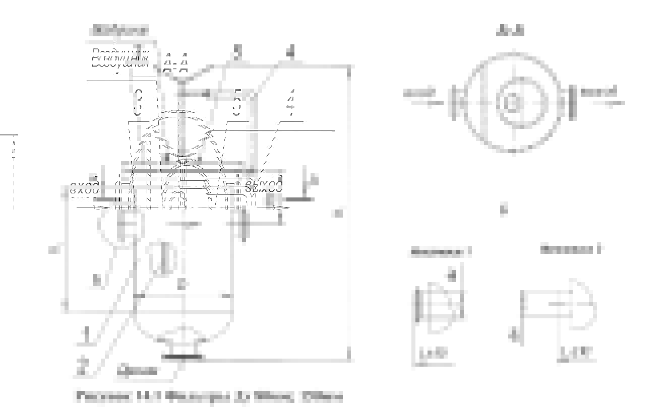
Изготавливаются два конструктивных исполнения фильтров по способу соединения с трубопроводом:
исполнение 1 — на фланцах;
исполнение 2- с помощью сварки.
В зависимости от температуры транспортируемой жидкости фильтры изготавливаются в четырех материальных исполнениях:
1 -сталь 16ГС (от минус 30°С до 300°С)
2-сталь 09Г2С-8 (от минус 60°С до 300°С)
3-сталь 08Х22Н6Т (от минус 40°С до 300°С)
4-сталь 09Г2С-7 (от минус 46°С до 300°С).
По требованию заказчика фильтры могут быть изготовлены с термообработкой.
Срок службы — 20 лет, при эксплуатации фильтров со средами, вызывающими скорость проникновения коррозии в глубину металла не более 0,1 мм в год, 12 лет при скорости проникновения коррозии до 0,17 мм в год.
Пример условного обозначения фильтров при заказе:
Фильтр жидкостный сетчатый (СДЖ), устанавливаемый на трубопроводе Ду 250мм, на условное давление 1,6 МПа, конструктивного исполнения 2, материального исполнения 3:
Фильтр СДЖ250-1,6-2-3 ТУ3616-004-00220339-97
тот же фильтр при необходимости требования по межкристаллитной коррозии (МКК):
Фильтр СДЖ250-1,6-2-3 М ТУ3616-004-00220339-97
тот же фильтр с изоляцией:
Фильтр СДЖ250-1,6-2-3 И ТУ3616-004-00220339-97
тот же фильтр при необходимости требования по межкристаллитной коррозии, с изоляцией:
Фильтр СДЖ250-1,6-2-3 МИ ТУ3616-004-00220339-97
тот же фильтр в экспортном исполнении:
Фильтр СДЖ250-1,6-2-3 Э ТУ3616-004-00220339-97
тот же фильтр с термообработкой
Фильтр СДЖ250-1,6-2-3 Т ТУ3616-004-00220339-97.

